精致森蓝抗震机柜检测报告--为您投标添砖加瓦
作者:
精致森蓝机柜
编辑:
精致森蓝机柜
来源:
精致森蓝机柜官网
发布日期:2022-11-3 17:31:08
信息摘要:
机柜采用双重框架防震结构,立柱和隔档分离的双重框架结构,两者之间安装的『防震减震器』通过变形吸收地震能量,从而减低机柜的震动。


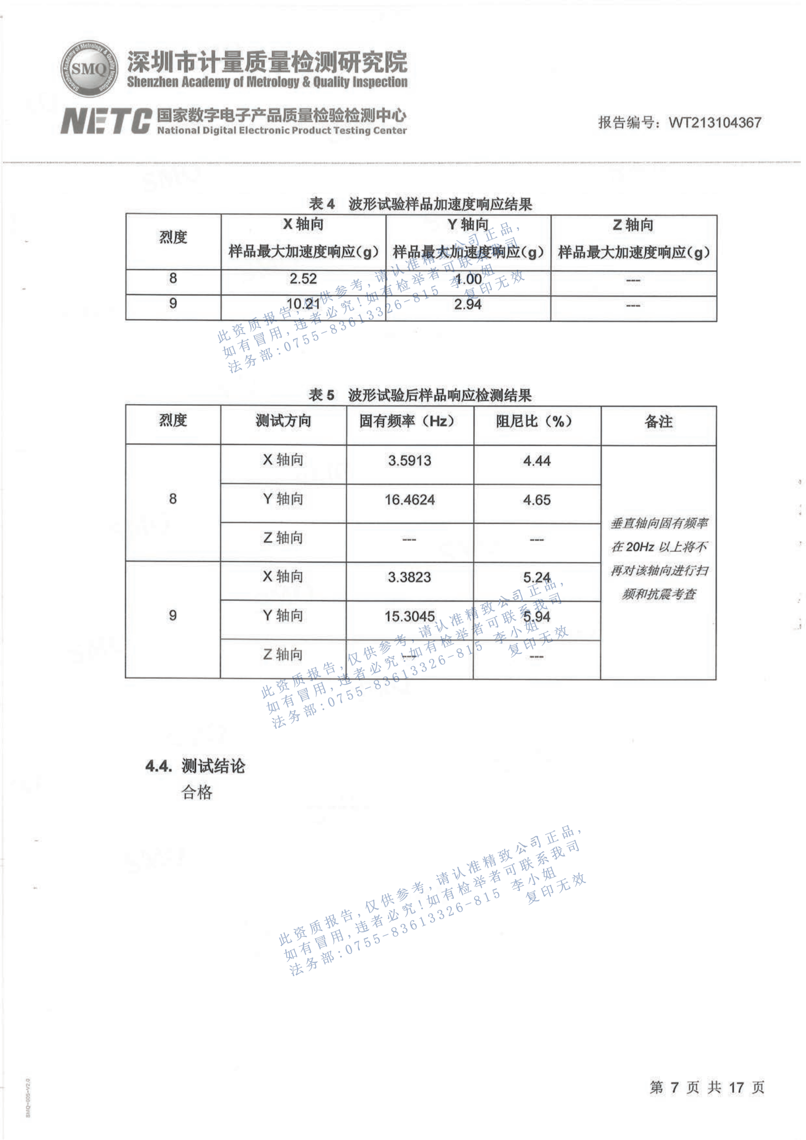
此为检测报告部分章节,如需获得全部文件,可以加微信13714745119询问客服。
免责声明:著作权归作者所有,商业转载请联系作者获得授权,非商业转载请注明出处。
标题:精致森蓝抗震机柜检测报告--为您投标添砖加瓦 地址:
www.jzjigui.com/news/html/1665.html